產品中心product
產品中心
您現在所在位置:網站首頁>> 產品中心
發那科FANUC ai接口絕對式光柵尺GVS608F
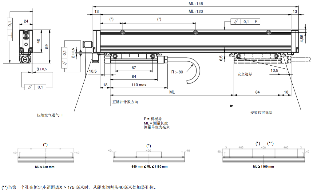
產品介紹發那科FANUC ai接口絕對式光柵尺GVS608F數控光柵尺 產品特點: 以光學玻璃作為測量基體的光柵位移傳感器, 帶發那科FANUC?ai接口。 分辨率為0.1微米(0.0001毫米)。精度等級高達 ? 1 微米(0. 001毫米) 尺內裝置可有效阻絕因過濾 不當流 入的液體。 輸出連接線纜可調節方向。 連接器并入傳感器內。 直接讀取絕對度量。 小尺寸,允許狹窄空間安裝。 機械特性: 尺體堅實厚重,電鍍鋁材質,尺寸是40x24 毫米。 電氣特性: 具有紅外線發射器和接收光電二極管的讀取裝置。 ? 帶串行接口 FANUC ?ai. ? 極性反轉和輸出端口短路保護的電氣保護。 ?線纜: - 7線屏蔽線纜 ? = 7.4 毫米, 聚氨酯外部防護套 - 導線部分: - 電源0.50 平方毫米 - 信號 0.18 平方毫米 - 連接器PCR 15針 (代碼 A02B – 0120 – K303). - 這種電纜適合連續運動。 - 電纜的彎曲半徑不應小于80毫米。 技術參數:
訂貨代碼:
上一個:沒有資料
下一個:ISA系列小尺寸光柵尺
|





