PL101-RY/PL101-PHY支持安川YASKAWA驅動器串行接口磁柵尺,高精度每米0.003mm,直接連接CN2接口。
產品介紹:
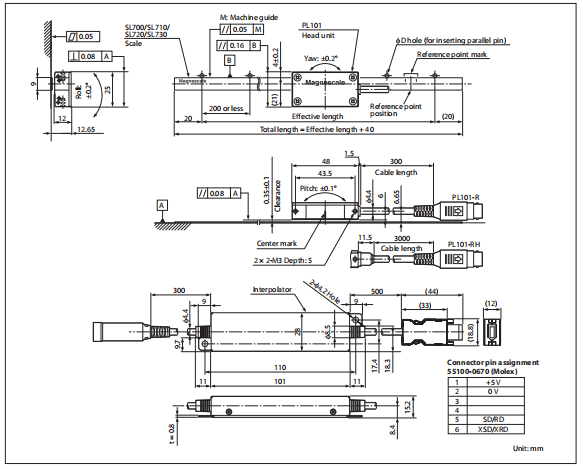
信號讀頭PL101-RY/RHY對應安川YASKAWA驅動器兼容。
特點:
1.非接觸檢測單元;
2.耐油、灰塵、振動、沖擊能力強;
3.與安川YASKAWA驅動器直接連接,并進行直線的位移和移動距離檢測
4.耐油、耐振動、耐污染及耐久性;
5.結構簡單,易安裝,使用壽命長,與金屬相同的熱膨脹系數。
產品參數:
型號 | PL101-RM | PL101-RHM | PL101-RY | PL101-RHY | PL101-RP | PL101-RHP |
讀數頭 | PL101-R | PL101-RH | PL101-R | PL101-RH | PL101-R | PL101-RH |
防護等級 | IP50 | IP67 | IP50 | IP67 | IP50 | IP67 |
原點讀取 | 有 |
解析度 | 0.1μm(1/8000) | 1/8192 | 0.1μm(1/8000) |
精度(溫度為20?C時) | ±10μm*L≤3000mm; ±(10L+2.5N) μm *L≤3000mm; |
與尺的間隙 | 0.35±0.1mm |
水平面 | ±0.2mm |
高度改變 | 間隔 | ±0.1度 |
偏移 | ±0.2度 |
轉動 | ±0.2度 |
通訊協定 | 三菱電機 | 安川電機 | 松下電機 |
供應電壓 | DC 5V±5% |
消耗功率 | 1.0W |
響應速度 | 10m/s |
線長 | 300mm | 3000mm |
重量 | 60g | 150g |
工作溫度 | 0~+45℃ |
存儲溫度 | -20~+50℃ |
延長線(選項) | CK-T12:1m CK-T13:3m CK-T14:5m CK-T15:10m |
內插器,伺服放大器期間延長線(另售) | CE32-1: 1m CE32-3: 3m CE32-5: 5m CE32-10: 10m CE32-15: 15m CE32-20: 20m | CE33-1: 1m CE33-3: 3m CE33-5: 5m CE33-10: 10m CE33-15: 15m CE33-20: 20m
|






SONY系列產品型號:
SONY探規 :
DK10NR5/DK10PR5/DK10PLR5
DK25NR5/DK25PR5/DK25NLR5/DK25PLR5
DK50NR5/DK50PR5
DK100NR5/DK100PR5
DK110NLR5
DK155PR5
DK205PR5
DK802AR/DK802ALR/DK802BR/DK802BLR/DK802AR5/DK802ALR5/DK802BR5/DK802BLR5
DK805AFR/AFLR,DK805AR/ALR;DK805BFR/BFLR,DK805BR/BLR;DK805AFR5/AFLR5,DK805AR5/ALR5;DK805BFR5/BFLR5,DK805BR5/BLR5
DK805SAFR/SAFLR,DK805SAR/SALR;DK805SBFR/SBFLR,DK805SBR/SBLR;DK805SAFR5/SAFLR5,DK805SAR5/SALR5;DK805SBFR5/SBFLR5,DK805SBR5/SBLR5
DK812AR/ALR/AFR/AFLR/AVR;DK812BR/BLR/BFR/BFLR/BVR;DK812AR5/ALR5/AFR5/AFLR5/AVR5;DK812BR5/BLR5/BFR5/BFLR5/BVR5
DK812SAR/SALR/SAFR/SAFLR;DK812SBR/SBLR/SBFR/SBFLR;DK812SAR5/SALR5/SAFR5/SAFLR5;DK812SBR5/SBLR5/SBFR5/SBFLR5
DK830SR/DK830SLR/DK830SVR
DT12N/DT12P
DT32N/DT32NV/DT32P/DT32PV
DT512N/DT512P
DF805SR/DF805SF/DF805SLR/DF805SFLR;MF10-P1/MF10-P2
DF812SR/DF812SF/DF812SLR/DF812SFLR;MF10-P1/MF10-P2
DS812S/DS812SR
DL310B
DL330B
U12B/U30B/U60B
SONY探規計數器:
LT10A-105/LT10A-105B/LT10A-105C/LT10A-205/LT10A-205B/LT10A-205C
LT11A-101/LT11A-101B/LT11A-101C/LT11A-201/ LT11A-201B/LT11A-201C
LT20A-101/LT20A-101B/LT20A-101C/LT20A-201/LT20A-201B/LT20A-201C
LT30-1G/LT30-1GB/LT30-1GC/LT30-2G/LT30-2GB/LT30-2GC
LY71
LY72
SONY探規通訊模塊:
MG10-P1/MG10-P2; MG20-DK/MG20-DG/MG20-DT; MG30-B1/MG30-B2
MG41/MG42/MG43/MG40
MG50-EC/MG50-CL/MG51/MG50;MF10-P1/MF10-P2/MF10-CM
SONY MT系列傳感器連接線:
MT12-05/MT12-10/MT13-01/MT13-05/MT13-10/MT14-01/MT14-05/MT14-10
SONY磁柵尺 :
SR127
SR128
GB-ER(SR138R)
SR801
SJ700A
SL110
SL130
SL331
SL700
SONY顯示器 :
LY71
LY72
LH71
LH72
SONY磁頭:
PL20C-3/-3C;PL20C-5/-5C;PL20C-10/-10C;PL20C-15/-15C;PL20C-20/-20C;PL20C-30
PL25
PL60
PL81-3,PL81-5,PL81-7,PL81-A,PL81-3B;PL82-3,PL82-5,PL82-7,PL82-A,PL82-3B
PL101-N/PL101-R/PL101-RH
SONY磁尺信號分割器 :
MJ100/MJ110
MJ620
MJ820/MJ821
MJ830/MJ831